RBB Load cell
RBB SPECIFICATION SHEET
Equivalent to: PA6142, HM11,
Bending beam loadcell
PERFORMANCE SPECIFICATION
Accuracy Class
0.03  
Units
Rated Capacities
10, 20, 30, 50, 100, 200
kg
Rated Output
2.0mV/V ± 0.1%
mV/V
Non-linearity
0.03%
F.S
Hysteresis
0.03%
F.S
Non-repeatability
0.02%
F.S
Creep at rated output
0.03%
% of applied load
Temperature effect span
15 PPM
% of applied load/C
Temperature effect zero
26 PPM
% of rated output/C
Compensation temperature range
-10 ~ 40
Degrees C
Operating temperature range
-40 ~ 65
Degrees C
Zero balance
± 1%
F.S
Input impedance
385 ± 15
Ohms
Output impedance
350 ± 3
Ohms
Safe Overload
150%
F.S
Ultimate overload
300%
F.S
Recommended excitation
10
Volts DC
Maximum excitation
15
Volts DC
Insulation Resistance
>5000
Megaohms
Construction material
Alloy tool steel
Environmental protection
IP68
Cable
6 meter 4-core screened nitrile
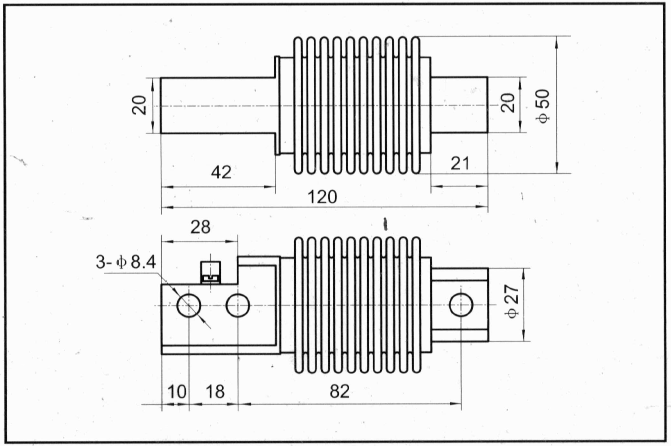
DIMENSIONS
bellow Loadcell dimensional sketch
WIRING DIAGRAM
Wiring diagram for bellow loadcell