Zemic weighbridge - Loadcell
ZEMIC HM9B DOUBLE SHEAR BEAM 
Isometric ULP photo
PERFORMANCE SPECIFICATION
Accuracy Class
C3
Units
Rated Capacities
10, 20, 30, 40, 50 T
T
Rated Output
2.0 ± 0.002%
mV/V
Compensated temperature
-10 to +40
°C
Safe Overload
200
% of rated Capacity
Ultimate overload
300
% of rated Capacity
Recommended excitation
5-12
Volts DC
Maximum excitation
18
Volts DC
Input impedance
700 ± 7
Ohms
Output impedance
700 ± 7
Ohms
Insulation Resistance
>5000
Megaohms
Construction material
Nickel plated alloy steel
Environmental protection
IP68 (Hermetically sealed)
Cable
10, 20T = 12 -------30, 40, 50T = 20
Meters
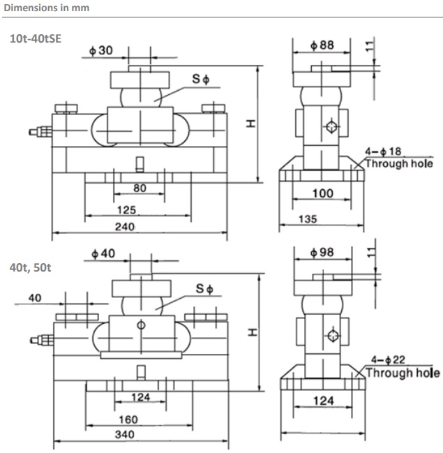
DIMENSIONS
Capacity
H
ØS
10T
195
50
20T-40Tse
225
76
40T/50T
267
82
zemic weighbridge loadcell dimensions
WIRING DIAGRAM
Wiring diagram for zemic weighbridge loadcell